Jump to content

Welcome to RennTech.org Community, Guest

There are many great features available to you once you register at RennTech.org
You are free to view posts here, but you must log in to reply to existing posts, or to start your own new topic. Like most online communities, there are costs involved to maintain a site like this - so we encourage our members to subscribe or donate. All subscriptions and donations go to the costs operating and maintaining this site. We prefer that guests take part in our community and we offer a lot in return to those willing to join our corner of the Porsche world. This site is 99 percent member supported (less than 1 percent comes from advertising) - so please consider an annual subscription or donation to keep this site running.

Here are some of the features available - once you subscribe RennTech.org

  • View Classified Ads
  • DIY Tutorials
  • Porsche TSB Listings (limited)
  • VIN Decoder
  • Special Offers
  • Paint Codes
  • Registry
  • Videos System
  • View Reviews
  • and get rid of this welcome message

It takes just a few minutes to register, and it's quality Porsche information at a low cost.

Contributing Members also get these additional benefits:
(you become a Contributing Member by subscribing or donating money to the operation of this site)

  • No ads - advertisements are removed
  • Access the Contributors Only Forum
  • Contributing Members Only Downloads
  • Send attachments with PMs
  • All image/file storage limits are substantially increased for all Contributing Members
  • Option Codes Lookup
  • VIN Option Lookups (limited)

Loren

Admin
  • Posts

    37,822
  • Joined

  • Days Won

    631

Everything posted by Loren

  1. The company he is used is actually Oklahoma Foreign, Inc. http://www.oklahomaforeign.com/
  2. I just ordered the Durametric OBD software, so I don't know if I will be able to do something in regards to the radio with the on board computer, to delete the 4 flashes. I did not use the Bose amp. I hooked up the door and dashboard speakers in series for the front. The rear speakers remained at 2 Ohms. I used the Boyo VTL300 backup camera, and it plugs directly into the kenwood. The Durametric software can not program MOST devices (like the radio, CD player, etc.). You will need to find someone with a PST2 or PIWIS tester to re-program those devices.
  3. Look at the fuel door repair DIY - we cover the front wheel liner there. http://www.renntech.org/forums/index.php?showtopic=13955 Also, the front bumper is very similar to a stnadrard 996 bumper see the 3rd radiator DIY here. http://www.renntech.org/forums/index.php?showtopic=7070
  4. Try 8922 or 8920
  5. Yes, after the first oil change the interval drops from 40,000 miles to 36,000 miles.
  6. The Litronics will not autolevel unless they were factory installed. The aftermarket kit Porsche sells says so in the instructions. Only factory installed Litronic have the leveling sensors on the axles.
  7. It would depend on where the wiring problem is. Have you narrowed it down? Have you tried a new MAF to be sure it is the wiring?
  8. Did you read the TSB for how to check the DMF? TSB 8/02 1360 Dual Mass Flywheel Check Procedure -- dated 12-13-02
  9. Item 2 on each list. For MY05-07 Oil/Filter change is "After 20,000,60,000, 100,000, 140,000 miles (30,000,90,000, 150,000, 210,000 km) etc." For MY08 Oil/Filter change is "After 24,000, 60,000, 96,000, 132,000 miles etc. / 40,000, 100,000, 160,000, 220,000 km etc."
  10. We have added downloadable PDFs for new Porsche Maintenance Checklists. They cover Major, Minor, Additional, and Annual service for US/Canada cars. They are available for: MY05 - MY07 Boxster/Cayman (987/987c) MY08 Boxster/Cayman (987/987c) MY05 - MY07 Carrera (997) MY08 Carrera (997) MY07 TT (997) MY08 TT (997) These new downloadable versions can be printed. You will find them in the Maintenance Checklist section We also added checklists for the 993 series and 993TT.
  11. Perhaps someone put springs on the car previously? Either way if you change to RoW M030 it will come to the ride height as specified. No fender rolling is required as long as you use factory wheel widths and tire sizes.
  12. That should not hurt the motor. Be sure and take it out of the circuit. Pin 1 is ground. Pin 3 is low speed (when the ballast is present). Pin 2 is high speed.
  13. You know, I thought about that ... but then when starting the car, it would light up all the lights except the one without a bulb. Plus I don't know if the car computer would get upset over a missing bulb and log a whole bunch of errors against that ... Ok, so I just got a call from the dealer. He said that they need to replace the 1) seat belt clips (the part fixed onto the seat, neat hips) 2) and the wiring harness under the seat For both drivers and passengers side to fix it. Parts + labor = $870. Does that seem ok or a bit high ?? Also, is it necessary to replace both sides or just one side, the faulty side, would be ok? I didn't confirm yet, but I think its unlikely that both sides would go out at the same time, eh? Edit: Sorry, but last question: Assuming I buy the durametric tool, does anyone know how easy/tough this repair would be a DIY? As always, thanks! Sid For a difficulty level read the TSB. If you have a Durametric tool it will tell you exactly which belt buckle needs replacing. You could wait on the other and replace only the one that gives a fault.
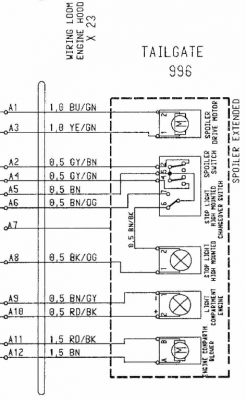
  14. Use the wire colors from the MY02 diagram below
  15. Thanks Loren. Does anyone know where I can purchase the system? Sunset Imports (Porsche Parts at Dealer Cost) (link at the top of any page)
  16. As a Contributing Member you can read Porsche's TSB on the install. Look for TSB 4/04 9110 Porsche Communication Management 2 (PCM2) Installation Instructions -- dated Mar 26, 2004
  17. Yes, it is the same harness for a MY02 (and newer) coupe - so the jumpering the pins should be the same too.
  18. Yes, you will need a 4" wobble extension for the spark plugs and a stubby ratchet helps too. The spark plug socket is standard. Most of the torqued things you would change are under 100 ft-lb.
  19. Try 5048 or 5046 Loren - these don't seem to work. I checked the serial # again and it is correct. Is there another code(s) I should try? Lost Radio Code - FAQ, PLEASE READ THIS FIRST
  20. Any MOST information is the Porsche manuals and schematics.
  21. Good advice! Judging from your responce, these failures aren't that common, right? Is there a documentation on how to remove the IP? http://www.renntech.org/forums/index.php?s...post&p=9563 http://www.renntech.org/forums/index.php?s...post&p=2434
  22. Stock screws are M6 x 12 mm - so you will want much longer ones.
  23. If you don't feel comfortable removing the cluster and checking the connections then find a good Porsche indie shop. I'd hate to see some dealer replace a $2000 plus cluster for a loose connection.
  24. If you have swapped the relays and you are sure the fuse is good (measured conductivity with a meter?). Then it is either the ballast resister or the motor. I guess you could bypass the resister to test the the motor.
×
×
  • Create New...

Important Information

We have placed cookies on your device to help make this website better. You can adjust your cookie settings, otherwise we'll assume you're okay to continue.